Запчасти на УАЗ Патриот
КЛУБНЫЕ ТОВАРЫ И УСЛУГИ
Нужна помощь НУЖЕН МОДЕРАТОР Для новеньких ПРАВИЛА Найти тему Поиск Мой флагРазмещение видео
Находясь форуме uazpatriot.ru вы безоговорочно соглашаетесь с политикой конфиденциальности и пользовательским соглашением в противном случае вы должны покинуть форум. Уважаемые пользователи ресурса, использование красного цвета текста, и наиболее близких к нему, разрешено только администрации и модераторам!

Альтернативный блок управления КУ

Кондиционеры, отопление и вентиляция, климат-контроль.
Ответить
Аватара пользователя
Belkin
Сообщений: 345
Зарегистрирован: Пт апр 06, 2012 15:52
Откуда: Воркута
Поблагодарили: 3 раза
Контактная информация:
Онлайн статус: Не в сети

Альтернативный блок управления КУ

Сообщение Belkin » Сб мар 11, 2017 23:11

Дабы не было кривотолков в отношении создания альтернативного (заводскому) блока управления КУ "Sanden" начну публиковать сведения о нем... ;)

С чего начиналось
проект.jpg
Затем все начало обрастать " в железе"
Период езды с "макеткой" опускаем... ;)
плата 3D спереди.jpg
плата 3D сзади.jpg
плата пустая.JPG
Позже уже стало быть похожим на более привычное...
плата спереди.JPG
плата сзади.JPG
блок сзади.JPG
Место установки
верх.jpg
дисплей.JPG
Продолжение следует... ;)
Изображение

Аватара пользователя
heibert
Сообщений: 91
Зарегистрирован: Пн сен 26, 2016 00:48
Откуда: Санкт-Петербург
Машина: SsangYong Action Sports
Поблагодарили: 7 раз
Контактная информация:
Онлайн статус: Не в сети

Альтернативный блок управления КУ

Сообщение heibert » Чт июн 29, 2017 11:39

В чём профит девайса? Описание функционала?
UAZ Pickup Limited Diesel // Hyundai Galloper II TurboDiesel // SsangYong Actyon Sports

Аватара пользователя
Falkon32
Сообщений: 9
Зарегистрирован: Чт апр 28, 2016 19:24
Откуда: Ставрополь
Машина: УАЗ Патриот ЗМЗ 51432
Благодарил (а): 1 раз
Онлайн статус: Не в сети

Альтернативный блок управления КУ

Сообщение Falkon32 » Ср июл 12, 2017 19:03

А для чего это все , пояснения будут?

Аватара пользователя
Belkin
Сообщений: 345
Зарегистрирован: Пт апр 06, 2012 15:52
Откуда: Воркута
Поблагодарили: 3 раза
Контактная информация:
Онлайн статус: Не в сети

Альтернативный блок управления КУ

Сообщение Belkin » Пн июл 31, 2017 20:58

Биг сорри за большую паузу...

Командировки, небольшой аврал и долгожданный отпуск оторвали от работы...

Блок КУ собран, работает, но "вылезло" еще одно "но" - работает только на моей машине ;)
Пока был в отпуске пробовали его еще на трех - начинал сбоить с разной периодичностью на разных машинах...
Максимум - двое суток без глюков... Некошерно...
Почти два месяца напарник бился, чуть ли не энцефалограммы Патриотам делал...
Все - "по Жванецкому": ... одинаково, а включаешь - не работает...
Причину так и не поняли, несмотря на высшее р/т образование некоторых (не про себя)...

Не хочется в таком виде его в свет выпускать, хотя и есть однозначно работающий вариант - на моей машине... ;)

Отправлено спустя 1 минуту 9 секунд:
heibert писал(а): В чём профит девайса? Описание функционала?
Начало было здесь http://uazpatriot.ru/forums/98/27355.html
Изображение

Аватара пользователя
Алексей791
Сообщений: 481
Зарегистрирован: Чт мар 20, 2014 15:01
Благодарил (а): 7 раз
Поблагодарили: 30 раз
Онлайн статус: Не в сети

Альтернативный блок управления КУ

Сообщение Алексей791 » Ср авг 02, 2017 07:33

а как именно не работает? виснет,глючит,или что?

Аватара пользователя
Belkin
Сообщений: 345
Зарегистрирован: Пт апр 06, 2012 15:52
Откуда: Воркута
Поблагодарили: 3 раза
Контактная информация:
Онлайн статус: Не в сети

Альтернативный блок управления КУ

Сообщение Belkin » Чт авг 03, 2017 20:53

Алексей791 писал(а): а как именно не работает? виснет,глючит,или что?
На одной машине - непрогнозируемые по времени рестарты...
Может не по разу в час, может - через сутки нормальной работы...

На другой - нестабильная работа регулятора оборотов вентилятора и ошибки в позиционировании заслонок.
Присутствуют редкие самопроизвольные рестарты...
Первое вылечилось небольшой доработкой схемы блока КУ, второе не лечится даже заменой моторедукторов...

На моей машине ничего подобного не наблюдается в диапазоне уличных температур от -27°и теплее...
Машина круглогодично на улице.

Питание блока КУ "вылизано", пиков и т.п. бяки нет, использованы стабилизаторы U-low.
Изображение

Аватара пользователя
Tigroezh
Сообщений: 1572
Зарегистрирован: Пн ноя 01, 2010 00:13
Откуда: Рязань
Поблагодарили: 7 раз
Онлайн статус: Не в сети

Альтернативный блок управления КУ

Сообщение Tigroezh » Пт авг 04, 2017 01:11

А как снимается позиция заслонки?

Аватара пользователя
Belkin
Сообщений: 345
Зарегистрирован: Пт апр 06, 2012 15:52
Откуда: Воркута
Поблагодарили: 3 раза
Контактная информация:
Онлайн статус: Не в сети

Альтернативный блок управления КУ

Сообщение Belkin » Пт авг 04, 2017 01:29

Tigroezh писал(а): А как снимается позиция заслонки?
Так же как и в заводском блоке КУ - используется АЦП.
В моторедукторе имеется потенциометр.
Изображение

Аватара пользователя
Алексей791
Сообщений: 481
Зарегистрирован: Чт мар 20, 2014 15:01
Благодарил (а): 7 раз
Поблагодарили: 30 раз
Онлайн статус: Не в сети

Альтернативный блок управления КУ

Сообщение Алексей791 » Пт авг 04, 2017 07:58

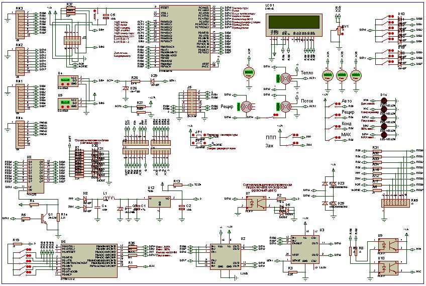
а проц какой? можешь схемку в личку кинуть,мож чем помогу.сам электроник.всю жизню ею занимаюсь. ну а по симптомам- осцилл на чистую воду выаедет. без него гадать. можно долго.) пардон,схема которая вначале темы- она самая?

Аватара пользователя
Belkin
Сообщений: 345
Зарегистрирован: Пт апр 06, 2012 15:52
Откуда: Воркута
Поблагодарили: 3 раза
Контактная информация:
Онлайн статус: Не в сети

Альтернативный блок управления КУ

Сообщение Belkin » Вс авг 06, 2017 08:35

Алексей791 писал(а): а проц какой? можешь схемку в личку кинуть,мож чем помогу.сам электроник.всю жизню ею занимаюсь. ну а по симптомам- осцилл на чистую воду выаедет. без него гадать. можно долго.) пардон,схема которая вначале темы- она самая?
Головной - ATMega16, для вентилятора - ATTiny2313.

Схема та, что в начале темы, но это - Протеус, в железе она немного отличается как выбором комплектующих, так и количеством.
Например, резисторных сборок - только одна, другая заменена на дискретные, двух вообще нет.
Драйвер LM6201 заменен на 1/2 LM298.
Изображение

Иван Шмит
Сообщений: 3603
Зарегистрирован: Вт фев 05, 2013 20:18
Поблагодарили: 398 раз
Онлайн статус: Не в сети

Альтернативный блок управления КУ

Сообщение Иван Шмит » Вс авг 06, 2017 20:26

давно читаю и слежу за темами, но смысл заморчки так и не понял.

Аватара пользователя
Алексей791
Сообщений: 481
Зарегистрирован: Чт мар 20, 2014 15:01
Благодарил (а): 7 раз
Поблагодарили: 30 раз
Онлайн статус: Не в сети

Альтернативный блок управления КУ

Сообщение Алексей791 » Пн авг 07, 2017 06:38

эээ,лошадка,тебе нас ёжиков не понять :-D

Аватара пользователя
Belkin
Сообщений: 345
Зарегистрирован: Пт апр 06, 2012 15:52
Откуда: Воркута
Поблагодарили: 3 раза
Контактная информация:
Онлайн статус: Не в сети

Альтернативный блок управления КУ

Сообщение Belkin » Пн авг 07, 2017 08:14

Иван Шмит писал(а): давно читаю и слежу за темами, но смысл заморчки так и не понял.
Заводской блок КУ известен своими глюками.
Есть альтернативные прошивки, их исправляющие, но они не годятся для блоков нового образца из-за другого контроллера.

В данном случае - попытка создать полный функциональный аналог, имея при этом возможность спокойно править программу работы.
При этом получаем дополнительные "плюшки", в виде индикатора например...

На другой стороне медали - чисто радиолюбительский интерес и вечное желание что-то усовершенствовать в УАЗе... ;)
Изображение

Иван Шмит
Сообщений: 3603
Зарегистрирован: Вт фев 05, 2013 20:18
Поблагодарили: 398 раз
Онлайн статус: Не в сети

Альтернативный блок управления КУ

Сообщение Иван Шмит » Пн авг 07, 2017 08:23

Belkin писал(а):
Иван Шмит писал(а): давно читаю и слежу за темами, но смысл заморчки так и не понял.
Заводской блок КУ известен своими глюками.
Есть альтернативные прошивки, их исправляющие, но они не годятся для блоков нового образца из-за другого контроллера.

В данном случае - попытка создать полный функциональный аналог, имея при этом возможность спокойно править программу работы.
При этом получаем дополнительные "плюшки", в виде индикатора например...

На другой стороне медали - чисто радиолюбительский интерес и вечное желание что-то усовершенствовать в УАЗе... ;)
Интерес конечно же дело хорошее. Когда для себя это делаешь, я всё понимаю и поддерживаю, но разве я не правильно сделал вывод что цель в массы?

А заводской пульт с новым контроллером тоже разве глючит? У меня первый вариант пульта, глючил, прошил давно и сбоев больше не было. Единственное режим АВТО далек от совершенства, но я так понял в вашей альтернативе режим авто и не реализуется.

Аватара пользователя
Belkin
Сообщений: 345
Зарегистрирован: Пт апр 06, 2012 15:52
Откуда: Воркута
Поблагодарили: 3 раза
Контактная информация:
Онлайн статус: Не в сети

Альтернативный блок управления КУ

Сообщение Belkin » Пн авг 07, 2017 09:04

Иван Шмит писал(а):Интерес конечно же дело хорошее. Когда для себя это делаешь, я всё понимаю и поддерживаю, но разве я не правильно сделал вывод что цель в массы?
Цели массовости не преследуем, будут желающие - пожалуйста.
После "доведения до ума" выложу необходимое для сборки в свободный доступ.
Иван Шмит писал(а):А заводской пульт с новым контроллером тоже разве глючит? У меня первый вариант пульта, глючил, прошил давно и сбоев больше не было.
За все говорить не буду, но на двух машинах 2014 и 2016 годов глюки выражались по-разному...
На одной вентилятор работал с паузами...
На другой отказывался кутить заслонку подмеса, при каждом переключении выходил в аварию. После выкл/вкл зажигания заслонка вставала на нужную позицию и так до следующего переключения...
Иван Шмит писал(а):но я так понял в вашей альтернативе режим авто и не реализуется.
Что дало повод сделать такой вывод ? ;)
Режим реализован, работает. Насколько эффективно - не знаю, в наших краях он не нужен.
Изображение

Иван Шмит
Сообщений: 3603
Зарегистрирован: Вт фев 05, 2013 20:18
Поблагодарили: 398 раз
Онлайн статус: Не в сети

Альтернативный блок управления КУ

Сообщение Иван Шмит » Пн авг 07, 2017 23:27

Всё понял, доходчиво.

Аватара пользователя
Belkin
Сообщений: 345
Зарегистрирован: Пт апр 06, 2012 15:52
Откуда: Воркута
Поблагодарили: 3 раза
Контактная информация:
Онлайн статус: Не в сети

Альтернативный блок управления КУ

Сообщение Belkin » Сб сен 23, 2017 16:06

Ввиду объективных причин и невозможности продолжать далее работу над проектом прошу желающих завершить начатое отписаться мне в личку.
Желающему будет выслан полный актуальный пакет файлов для работы.
Исходники прошивок пока оставлю за собой. ;)
Хотелось бы, чтоб последователи не имели перед собой коммерческой выгоды (как и мы изначально).

Мой Патриот продан, новый владелец доплатил мне за новый блок КУ по цене нового заводского и уговорил не снимать.
Изображение

Аватара пользователя
Belkin
Сообщений: 345
Зарегистрирован: Пт апр 06, 2012 15:52
Откуда: Воркута
Поблагодарили: 3 раза
Контактная информация:
Онлайн статус: Не в сети

Альтернативный блок управления КУ

Сообщение Belkin » Вс сен 24, 2017 21:31

В архиве - достаточный для работы комплект файлов.
Готов ответить на возникающие вопросы...
Вложения
blok-ku.zip
(173.95 КБ) 101 скачивание
Изображение

Аватара пользователя
Yurik_Nsk
Сообщений: 23
Зарегистрирован: Вт дек 29, 2015 13:53
Откуда: Бердск(за Новосибирском)
Благодарил (а): 1 раз
Поблагодарили: 2 раза
Онлайн статус: Не в сети

Альтернативный блок управления КУ

Сообщение Yurik_Nsk » Чт ноя 02, 2017 22:01

Только сейчас увидел тему. В том году начал макетировать так же под атмегу. Но делать хотел так, чтобы по максимуму использовать заводскую плату/схему.
По сути только пик заменить на атмегу хотел. Но там аврал на работе тормознул мысль.
Сейчас думаю на заводской плате просто свою программу сделать... смысла нет менять контроллер то по сути.

ээх. Норм тема ]:[

Аватара пользователя
Belkin
Сообщений: 345
Зарегистрирован: Пт апр 06, 2012 15:52
Откуда: Воркута
Поблагодарили: 3 раза
Контактная информация:
Онлайн статус: Не в сети

Альтернативный блок управления КУ

Сообщение Belkin » Сб ноя 04, 2017 21:00

Yurik_Nsk писал(а):
Чт ноя 02, 2017 22:01
По сути только пик заменить на атмегу хотел.
Мы преследовали цель получить устройство из более дешевых комплектующих с тем же (как минимум) функционалом.
По сути, так оно и получилось, если не брать в расчет корпус и элементы, используемые от "донора".
Почти 6кр новый блок КУ и около 2,2кр - себестоимость данной разработки.
Yurik_Nsk писал(а):
Чт ноя 02, 2017 22:01
Сейчас думаю на заводской плате просто свою программу сделать... смысла нет менять контроллер то по сути.
Возможно, так бы и поступили, но я с PICами дела не имел никогда, потому и остановились на Atmel...

Это потянуло за собой изменение схемотехники, т.к. тупо заменить PIC на Atmega на заводской плате не получится.
Перепахать пол-платы... 8;:
Изображение

Аватара пользователя
heibert
Сообщений: 91
Зарегистрирован: Пн сен 26, 2016 00:48
Откуда: Санкт-Петербург
Машина: SsangYong Action Sports
Поблагодарили: 7 раз
Контактная информация:
Онлайн статус: Не в сети

Альтернативный блок управления КУ

Сообщение heibert » Сб ноя 04, 2017 21:11

Говорят, все глюки штатного блока лечатся отрезанием его от к-шины авто. Весь функционал при этом сохраняется...
Вот если б управление климатом на экран ГУ выводилось, то это было бы крайне интересно.
UAZ Pickup Limited Diesel // Hyundai Galloper II TurboDiesel // SsangYong Actyon Sports

Аватара пользователя
Belkin
Сообщений: 345
Зарегистрирован: Пт апр 06, 2012 15:52
Откуда: Воркута
Поблагодарили: 3 раза
Контактная информация:
Онлайн статус: Не в сети

Альтернативный блок управления КУ

Сообщение Belkin » Сб ноя 04, 2017 21:33

heibert писал(а):
Сб ноя 04, 2017 21:11
Говорят, все глюки штатного блока лечатся отрезанием его от к-шины.
Увы, проходили... ;)
С тем же успехом можно отлучить курильщика от сигареты путем заклеивания пластырем рта... ;)

К счастью, далеко не всем приходится сталкиваться с глюкавостью заводского КУ.
Некоторые ездят с 2012 года и не запариваются вообще (служебный у супруги на работе)...
Изображение

Ответить

Вернуться в «Климатическое оборудование»

Клуб УАЗ Патриот : Отказ от ответственности