Запчасти на УАЗ Патриот
КЛУБНЫЕ ТОВАРЫ И УСЛУГИ
Нужна помощь НУЖЕН МОДЕРАТОР Для новеньких ПРАВИЛА Найти тему Поиск Мой флагРазмещение видео
Находясь форуме uazpatriot.ru вы безоговорочно соглашаетесь с политикой конфиденциальности и пользовательским соглашением в противном случае вы должны покинуть форум. Уважаемые пользователи ресурса, использование красного цвета текста, и наиболее близких к нему, разрешено только администрации и модераторам!

Схема электрооборудования Евро-4

Электрические схемы автомобиля
Ответить
Аватара пользователя
Nordserge
Сообщений: 1458
Зарегистрирован: Ср дек 05, 2012 18:03
Откуда: Новая Москва
Машина: уаз
Благодарил (а): 13 раз
Поблагодарили: 34 раза
Онлайн статус: Не в сети

Схема электрооборудования Евро-4

Сообщение Nordserge » Сб июн 21, 2014 10:47

Классик 2013 года.ЗМЗ 409-05.Передний мост-пневмо,сзади-
валрейсинг. ГБО.

Аватара пользователя
v0id
Сообщений: 530
Зарегистрирован: Чт июл 05, 2012 13:44
Откуда: Кострома
Благодарил (а): 15 раз
Поблагодарили: 55 раз
Онлайн статус: Не в сети

Схема электрооборудования Евро-4

Сообщение v0id » Пт фев 16, 2018 08:56

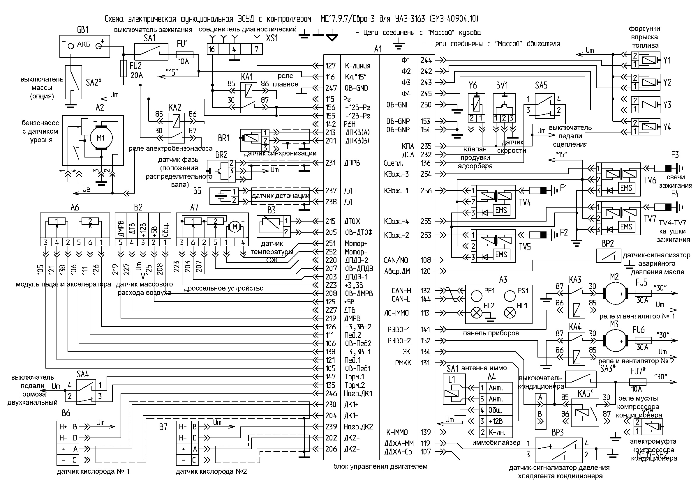
Схема ЭСУД там неверная! Вот правильная:
BOSH_17.9.7_с_описанием.jpg
Отправлено спустя 6 минут 43 секунды:
и еще:
ME17-P4.pdf
(236.54 КБ) 1324 скачивания
УАЗ Патриот 2013г. мех РК, Limited (ГБО BRC-4, лебедка EW-12000, ГРМ Прогресс Е-3, пружины RD5081, барсорессоры, нафиг стаб, кардан Симбир, шкворня подш., радиатор TLC 105, пер. кардан на ШРУСах, блокировки БТР)
БОРТОВОЙ ЖУРНАЛ

Аватара пользователя
Blondi13
Сообщений: 7199
Зарегистрирован: Ср авг 28, 2013 21:51
Откуда: Жалезка ёпрст.
Благодарил (а): 229 раз
Поблагодарили: 419 раз
Онлайн статус: Не в сети

Схема электрооборудования Евро-4

Сообщение Blondi13 » Пт фев 16, 2018 10:30

Правильная это Е-3
Не говори больше чем знаешь, но знай больше чем говоришь.

Аватара пользователя
v0id
Сообщений: 530
Зарегистрирован: Чт июл 05, 2012 13:44
Откуда: Кострома
Благодарил (а): 15 раз
Поблагодарили: 55 раз
Онлайн статус: Не в сети

Схема электрооборудования Евро-4

Сообщение v0id » Пт фев 16, 2018 10:45

Blondi13 писал(а):
Пт фев 16, 2018 10:30
Правильная это Е-3
а в чем разница между Е-3 на 17.9.7 с ДАД и Е-4 с 17.9.7 со стороны электрики? по-моему никакой... просто были Е-3 с 17.9.7 и ДМРВ, но схема что я дал - именно с ДАД, по электрике никакой разницы, можно сравнить с нижевыложенным мной ME17-P4.pdf - там схема именно ЕВРО-4 с 17.9.7

17.9.71 и 17.9.7 в чем различие по электрике не знаю, и есть ли различия вообще...

А схема ЭСУД что по ссылке из первого поста - вообще бредятина, это не с УАЗ Патриот, такого на патрах никогда не было.
УАЗ Патриот 2013г. мех РК, Limited (ГБО BRC-4, лебедка EW-12000, ГРМ Прогресс Е-3, пружины RD5081, барсорессоры, нафиг стаб, кардан Симбир, шкворня подш., радиатор TLC 105, пер. кардан на ШРУСах, блокировки БТР)
БОРТОВОЙ ЖУРНАЛ

Аватара пользователя
Blondi13
Сообщений: 7199
Зарегистрирован: Ср авг 28, 2013 21:51
Откуда: Жалезка ёпрст.
Благодарил (а): 229 раз
Поблагодарили: 419 раз
Онлайн статус: Не в сети

Схема электрооборудования Евро-4

Сообщение Blondi13 » Пт фев 16, 2018 11:01

На картинке это Е-3
А по ссылке Е-4
По ссылке из первого поста схема от Е-2
Не говори больше чем знаешь, но знай больше чем говоришь.

Аватара пользователя
v0id
Сообщений: 530
Зарегистрирован: Чт июл 05, 2012 13:44
Откуда: Кострома
Благодарил (а): 15 раз
Поблагодарили: 55 раз
Онлайн статус: Не в сети

Схема электрооборудования Евро-4

Сообщение v0id » Пт фев 16, 2018 13:33

Blondi13 писал(а):
Пт фев 16, 2018 11:01
По ссылке из первого поста схема от Е-2
Да нет же! прочитайте внимательно основную надпись не чертеже, написано же "Евро-4 ЭСУД 17.9.7 с ДАД". Электронной педали нет, катушки сдвоенные, и при этом ДАД и БОШ 17.9.7
Такого бреда на патрах никогда НЕ БЫЛО. Это схема от какой-то другой машины 100%
УАЗ Патриот 2013г. мех РК, Limited (ГБО BRC-4, лебедка EW-12000, ГРМ Прогресс Е-3, пружины RD5081, барсорессоры, нафиг стаб, кардан Симбир, шкворня подш., радиатор TLC 105, пер. кардан на ШРУСах, блокировки БТР)
БОРТОВОЙ ЖУРНАЛ

Аватара пользователя
Blondi13
Сообщений: 7199
Зарегистрирован: Ср авг 28, 2013 21:51
Откуда: Жалезка ёпрст.
Благодарил (а): 229 раз
Поблагодарили: 419 раз
Онлайн статус: Не в сети

Схема электрооборудования Евро-4

Сообщение Blondi13 » Пт фев 16, 2018 20:03

Да это от другого УАЗа переделка под Е4 Е2 на буханках и пр.
Не говори больше чем знаешь, но знай больше чем говоришь.

Аватара пользователя
Nordserge
Сообщений: 1458
Зарегистрирован: Ср дек 05, 2012 18:03
Откуда: Новая Москва
Машина: уаз
Благодарил (а): 13 раз
Поблагодарили: 34 раза
Онлайн статус: Не в сети

Схема электрооборудования Евро-4

Сообщение Nordserge » Чт май 16, 2019 17:54

v0id писал(а):
Пт фев 16, 2018 10:45


17.9.71 и 17.9.7 в чем различие по электрике не знаю, и есть ли различия вообще...

Распиловка как бы одинаковая,в 71 на педаль акселератора 5 вольт,в 7-3,3 вольта.
Классик 2013 года.ЗМЗ 409-05.Передний мост-пневмо,сзади-
валрейсинг. ГБО.

Ответить

Вернуться в «Электросхемы»

Клуб УАЗ Патриот : Отказ от ответственности