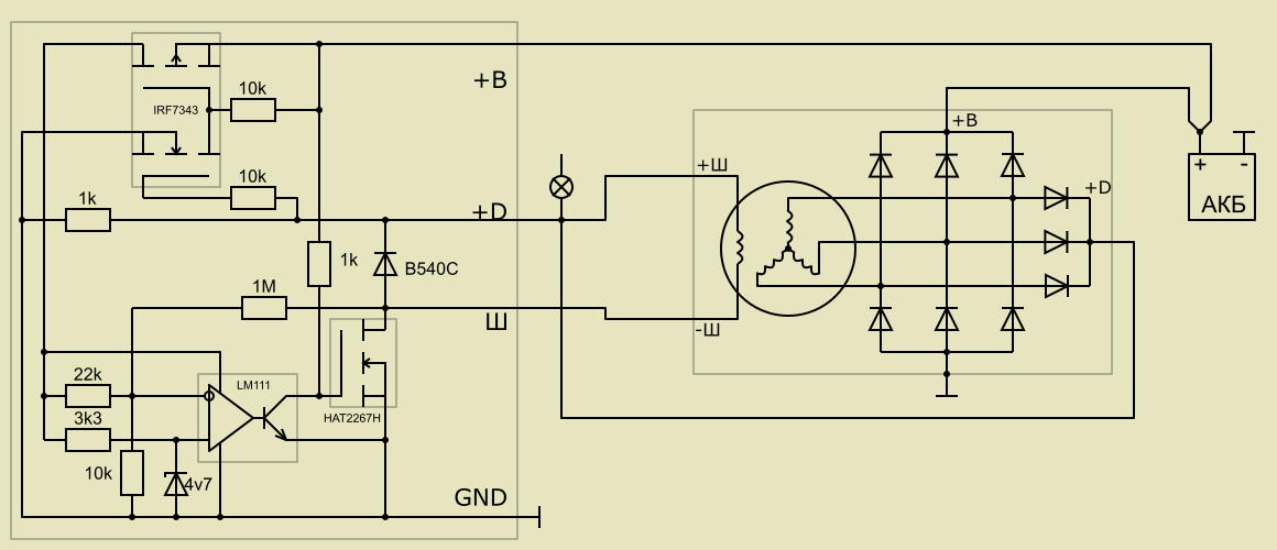
В такой зарядке еще один плюс есть - это автоматизация самого процесса. В движении с генератора приходят 2 фазы 11 вольт. Трансформатором поднимаем до 17 переменки, на выходе моста имеем 21-22 v пос. тока. Дальше два стабилизатора тока (на каждый аккум свой). Первый канал на подкапотный 75 ач ставлю 5 ампер, на Варту 110 ач - 7 ампер. Других зарядных токов кроме как этих быть не может. Либо 5 и 7, либо ничего. После стабилизаторов стоят два реле напряжения с регулируемыми установками на вкл. и выкл. своего АКБ на заряд. Например Варта включиться когда напр. будет ниже чем 13,5 и откл при достижении 16,5 v (зимой). Итого имеем: Едем на подкапотном в сети, второй заряжается установленным током 7А, напряжение по мере зарядки на нем увеличивается и при достижении 16,5v аккум отключается. Едем дальше... через 20-30 мин. напруга на Варте естественным образом падает ниже первой установки и вновь подкл. на заряд до достижения 16,5. Пока едем один акум постоянно пихает зарядкой. Вилка установок РН регулируемая от 6 до 24 вольт, посему тычки могут быть разными, вплоть до просто отключения при достижении 100%. Из неудобств - 2-3 раза в год менять установки на вкл. откл. Все это можно использовать при наличии 220в - дома, на работе, в придорожной гостинице и т.д. От 220 можно заряжать обе АКБ своими токами и установками вкл.-откл.
Но все это меняет обычный инвертор 12-220 ватт на 200-300 и обычный сетевой зарядник взятый с собой из дома.
Схема
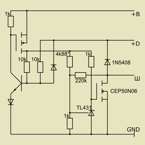
Два канала стабилизаторов и реле установок.
Аккумуляторы переключаются вручную этим переключателем. Для того, что бы зарядник знал кто в сети и не лупанул туда зарядку, в красный набалдажник вставлен магнит, а в сам перекл - герконы.
Герконы коммутации зарядки.
