Запчасти на УАЗ Патриот
КЛУБНЫЕ ТОВАРЫ И УСЛУГИ
Нужна помощь НУЖЕН МОДЕРАТОР Для новеньких ПРАВИЛА Найти тему Поиск Мой флагРазмещение видео Находясь форуме uazpatriot.ru вы безоговорочно соглашаетесь с политикой конфиденциальности и пользовательским соглашением в противном случае вы должны покинуть форум. Уважаемые пользователи ресурса, использование красного цвета текста, и наиболее близких к нему, разрешено только администрации и модераторам!
КЛУБНЫЕ ТОВАРЫ И УСЛУГИ
Нужна помощь НУЖЕН МОДЕРАТОР Для новеньких ПРАВИЛА Найти тему Поиск Мой флагРазмещение видео Находясь форуме uazpatriot.ru вы безоговорочно соглашаетесь с политикой конфиденциальности и пользовательским соглашением в противном случае вы должны покинуть форум. Уважаемые пользователи ресурса, использование красного цвета текста, и наиболее близких к нему, разрешено только администрации и модераторам!
Дроссель Bosch 0280750151 проверка
Дроссель Bosch 0280750151 проверка
Патриот 2010 года, Евро-3, ЭБУ – Bosch. Пробег – 62 тыс.
В январе при морозах -30, -35С появились дёргания, провалы в работе движка на оборотах от 2000 и выше, вплоть до полной остановки. После повторного запуска, работа на холостых нестабильна, но не спеша с рывками ехать можно. Горит чек. Почитав разные отчеты, решил, что заменить нужно датчик положения дроссельной заслонки ДПДЗ. Его поиски по картинкам с интернета не увенчались успехом. Выяснил, что на моём двигателе установлен патрубок дроссельной заслонки в сборе – блок управления с датчиком в одном флаконе (BOSCH 0 280 750 151). В интернет магазинах цена от 4086 до 11000 тыс.руб.
http://img-fotki.yandex.ru/get/9895/244 ... dc6f_L.jpg
Прочитав на одном сайте как владелец разбирал подобный дроссель на вольво, решил это дело повторить у себя. Ослабил хомуты подводящего патрубка, отсоединил его и открылась такая картина:
http://img-fotki.yandex.ru/get/9306/244 ... ce7e_L.jpg
Лужа конденсата в нижней части патрубка и заслонки.
Снял клемму датчика, открутил 4 винта с головкой под шестигранник на 5.
http://img-fotki.yandex.ru/get/9328/244 ... 7777_L.jpg
Замёрзший конденсат был и с внутренней стороны заслонки.
Принёс в тепло – почистить и вскрыть ДПДЗ чтобы убедиться в целостности дорожек и контактов. Поддевая отвёрткой снял все скобы.
http://img-fotki.yandex.ru/get/9114/244 ... caab_L.jpg
Аккуратно покачивая снял крышку, её удерживали клеммы контактов.
http://img-fotki.yandex.ru/get/9114/244 ... bd4c_L.jpg
Всё чисто, уплотнительная резинка в порядке.
http://img-fotki.yandex.ru/get/9826/244 ... 2cce_L.jpg
http://img-fotki.yandex.ru/get/9895/244 ... d39c_L.jpg
Контакты и дорожки в порядке.
http://img-fotki.yandex.ru/get/9314/244 ... 124f_L.jpg
Ничего тут трогать не стал. Собрал всё в обратном порядке. Завёл – песня!
Проблема была только в наличии конденсата, который блокировал работу заслонки, на холостых заводился, потому что заслонка не до конца была закрыта. Предполагаю, что на прогретом движке этот лёд продвигался из патрубка к заслонке, чем блокировал её нормальную работу. У компьютера мозги не справлялись - отсюда рывки и провалы в движении.
В январе при морозах -30, -35С появились дёргания, провалы в работе движка на оборотах от 2000 и выше, вплоть до полной остановки. После повторного запуска, работа на холостых нестабильна, но не спеша с рывками ехать можно. Горит чек. Почитав разные отчеты, решил, что заменить нужно датчик положения дроссельной заслонки ДПДЗ. Его поиски по картинкам с интернета не увенчались успехом. Выяснил, что на моём двигателе установлен патрубок дроссельной заслонки в сборе – блок управления с датчиком в одном флаконе (BOSCH 0 280 750 151). В интернет магазинах цена от 4086 до 11000 тыс.руб.
http://img-fotki.yandex.ru/get/9895/244 ... dc6f_L.jpg
Прочитав на одном сайте как владелец разбирал подобный дроссель на вольво, решил это дело повторить у себя. Ослабил хомуты подводящего патрубка, отсоединил его и открылась такая картина:
http://img-fotki.yandex.ru/get/9306/244 ... ce7e_L.jpg
Лужа конденсата в нижней части патрубка и заслонки.
Снял клемму датчика, открутил 4 винта с головкой под шестигранник на 5.
http://img-fotki.yandex.ru/get/9328/244 ... 7777_L.jpg
Замёрзший конденсат был и с внутренней стороны заслонки.
Принёс в тепло – почистить и вскрыть ДПДЗ чтобы убедиться в целостности дорожек и контактов. Поддевая отвёрткой снял все скобы.
http://img-fotki.yandex.ru/get/9114/244 ... caab_L.jpg
Аккуратно покачивая снял крышку, её удерживали клеммы контактов.
http://img-fotki.yandex.ru/get/9114/244 ... bd4c_L.jpg
Всё чисто, уплотнительная резинка в порядке.
http://img-fotki.yandex.ru/get/9826/244 ... 2cce_L.jpg
http://img-fotki.yandex.ru/get/9895/244 ... d39c_L.jpg
Контакты и дорожки в порядке.
http://img-fotki.yandex.ru/get/9314/244 ... 124f_L.jpg
Ничего тут трогать не стал. Собрал всё в обратном порядке. Завёл – песня!
Проблема была только в наличии конденсата, который блокировал работу заслонки, на холостых заводился, потому что заслонка не до конца была закрыта. Предполагаю, что на прогретом движке этот лёд продвигался из патрубка к заслонке, чем блокировал её нормальную работу. У компьютера мозги не справлялись - отсюда рывки и провалы в движении.
Re: Дроссель Bosch 0280750151 проверка
Привет! Подскажи, при включении зажигания этот дроссель начинает щелкать, потом тихо, потом опять секунд через 30 и замолкает. Это плохо? Менять? Раньше вроде не замечал такого.Сергей71 писал(а):Патриот 2010 года, Евро-3, ЭБУ – Bosch. Пробег – 62 тыс.
В январе при морозах -30, -35С появились дёргания, провалы в работе движка на оборотах от 2000 и выше, вплоть до полной остановки. .
Re: Дроссель Bosch 0280750151 проверка
Привет! Специально послушал у себя, щелчков нет. Если рывков в движении не наблюдается и холостые не зависают в 1000-1500 оборотов, при нормальном запуске движка, то дело похоже не в нём. Может другие системы и датчики как то воздействуют на компьютер? например датчик температуры (можно снять с него провод и повернуть зажигание без запуска - будут ли щелчки). вот тут что-то можно почитать http://avto-remont.com/catalog/stat/17/1/68.html (не совсем про нас, но схема работы описана).Wolk писал(а):Привет! Подскажи, при включении зажигания этот дроссель начинает щелкать, потом тихо, потом опять секунд через 30 и замолкает. Это плохо? Менять? Раньше вроде не замечал такого.Сергей71 писал(а):Патриот 2010 года, Евро-3, ЭБУ – Bosch. Пробег – 62 тыс.
В январе при морозах -30, -35С появились дёргания, провалы в работе движка на оборотах от 2000 и выше, вплоть до полной остановки. .
Re: Дроссель Bosch 0280750151 проверка
Спасибо! Буду думать...Сергей71 писал(а):Привет! Специально послушал у себя, щелчков нет. Если рывков в движении не наблюдается и холостые не зависают в 1000-1500 оборотов, при нормальном запуске движка, то дело похоже не в нём.
- Djovan
- Сообщений: 5
- Зарегистрирован: Сб ноя 30, 2019 01:32
- Откуда: Питер
- Машина: Патриот 2012
- Благодарил (а): 2 раза
- Онлайн статус: Не в сети
Дроссель Bosch 0280750151 проверка
Мужики, хочу оживить тему, весь интернет перекопал, не нашел полезной информации
Хочу проверить этот дроссель на исправность, так как при электронную педаль газа не реагирует, педаль обороты увеличивает, а дроссель даже не шевелиться.
Что проделано:
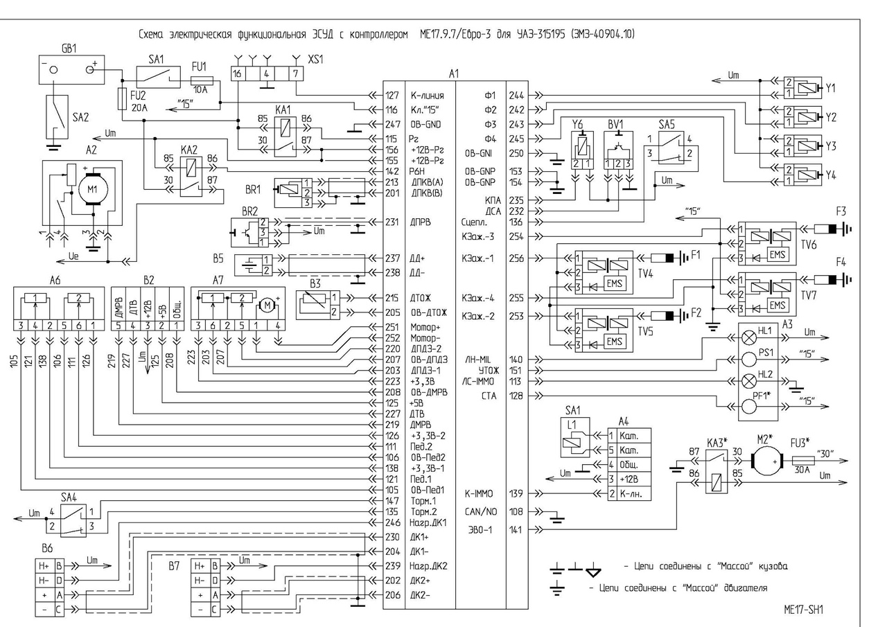
Снял штекер с дросселя, в нём шесть пинов. Из следующей схемы понимаю, что на 3 и 5 пине должно быть 3,3 вольта (у меня 3,15 вольта). Всё естественно проверяю при включенном зажигании.
На 1 и 4 пине сразу появляться 12 вольт, для питания электродвигателя дросселя (тот который непосредственно вертит заслонкой туда-сюда, открывает и закрывает её). Вопрос, должны ли эти 12 вольт постоянно подаваться на этот электродвигатель?
помогите разобраться...
Как ещё можно проверить датчик положения? Какие там сопротивления?
Хочу проверить этот дроссель на исправность, так как при электронную педаль газа не реагирует, педаль обороты увеличивает, а дроссель даже не шевелиться.
Что проделано:
Снял штекер с дросселя, в нём шесть пинов. Из следующей схемы понимаю, что на 3 и 5 пине должно быть 3,3 вольта (у меня 3,15 вольта). Всё естественно проверяю при включенном зажигании.
На 1 и 4 пине сразу появляться 12 вольт, для питания электродвигателя дросселя (тот который непосредственно вертит заслонкой туда-сюда, открывает и закрывает её). Вопрос, должны ли эти 12 вольт постоянно подаваться на этот электродвигатель?
Как ещё можно проверить датчик положения? Какие там сопротивления?
- Вложения
-
- A7—дроссельное устройство с электроприводом
- OLz-C5Ob2cU.jpg (328.49 КБ) 14305 просмотров
-
- IMG_4574.JPG (2.11 МБ) 14305 просмотров
-
- IMG_4537.JPG (1.81 МБ) 14305 просмотров
-
- IMG_4572.JPG (1.79 МБ) 14305 просмотров
- Blondi13
- Сообщений: 7199
- Зарегистрирован: Ср авг 28, 2013 21:51
- Откуда: Жалезка ёпрст.
- Благодарил (а): 229 раз
- Поблагодарили: 419 раз
- Онлайн статус: Не в сети
Дроссель Bosch 0280750151 проверка
Это как понимать ваше предложение? Вы хоть сами вчитайтесь в смысл написанного...
Нет. Только на 3 контакте.
На 5 и 6 контактах значение напряжения будет меняться в зависимости от положения дросселя, т.к. это сигнальные контакты.
Если согласно схеме, то величина напряжения прямопропорциональна необходимому углы положения дросселя.
Не говори больше чем знаешь, но знай больше чем говоришь.
- trax777
- Владелец

- Сообщений: 1474
- Зарегистрирован: Вт дек 27, 2011 13:24
- Откуда: Московский
- Машина: УАЗ Патриот
- Поблагодарили: 3 раза
- Онлайн статус: Не в сети
Дроссель Bosch 0280750151 проверка
У меня такая же проблема, я мерил напряжение между 3 и 5 дорожкой, и получилось 3,09 В. Немного прошелся шкуркой по графитовым полоскам, не помогло. Как еще диагностировать что не обрыв или КЗ?
Патриот 2020 АКПП
- Blondi13
- Сообщений: 7199
- Зарегистрирован: Ср авг 28, 2013 21:51
- Откуда: Жалезка ёпрст.
- Благодарил (а): 229 раз
- Поблагодарили: 419 раз
- Онлайн статус: Не в сети
Дроссель Bosch 0280750151 проверка
Шкурка это вообще супер решение 
Диагностировать тестером
Диагностировать тестером
Не говори больше чем знаешь, но знай больше чем говоришь.
- trax777
- Владелец

- Сообщений: 1474
- Зарегистрирован: Вт дек 27, 2011 13:24
- Откуда: Московский
- Машина: УАЗ Патриот
- Поблагодарили: 3 раза
- Онлайн статус: Не в сети
Дроссель Bosch 0280750151 проверка
Я же написал, что получил 3,09В на резисторе. На 4-й контакт разъема в фишке приходит чуть больше 5В. Что ещё диагностировать?
Патриот 2020 АКПП
- Blondi13
- Сообщений: 7199
- Зарегистрирован: Ср авг 28, 2013 21:51
- Откуда: Жалезка ёпрст.
- Благодарил (а): 229 раз
- Поблагодарили: 419 раз
- Онлайн статус: Не в сети
Дроссель Bosch 0280750151 проверка
А что тестером можно только измерять напряжение?
Не говори больше чем знаешь, но знай больше чем говоришь.
- trax777
- Владелец

- Сообщений: 1474
- Зарегистрирован: Вт дек 27, 2011 13:24
- Откуда: Московский
- Машина: УАЗ Патриот
- Поблагодарили: 3 раза
- Онлайн статус: Не в сети
Дроссель Bosch 0280750151 проверка
Ставил новый дроссель - та же самая ошибка. Проводку всю облазал, из гофры вытащил полностью, никаких видимых повреждений нет, но ошибка 2135 не отпускает. Что еще куда смотреть?
Патриот 2020 АКПП
- Blondi13
- Сообщений: 7199
- Зарегистрирован: Ср авг 28, 2013 21:51
- Откуда: Жалезка ёпрст.
- Благодарил (а): 229 раз
- Поблагодарили: 419 раз
- Онлайн статус: Не в сети
Дроссель Bosch 0280750151 проверка
А после установки нового дросселя адаптацию делали?
Не говори больше чем знаешь, но знай больше чем говоришь.
- trax777
- Владелец

- Сообщений: 1474
- Зарегистрирован: Вт дек 27, 2011 13:24
- Откуда: Московский
- Машина: УАЗ Патриот
- Поблагодарили: 3 раза
- Онлайн статус: Не в сети
Дроссель Bosch 0280750151 проверка
Педаль нажимал с включенным зажиганием, но мотор не заводил. Я на дроссель кинул массу от АКБ и подключил фишку контактов. Поначалу была ошибка по адаптации, но потом она ушла, а 2135 осталась.
Патриот 2020 АКПП